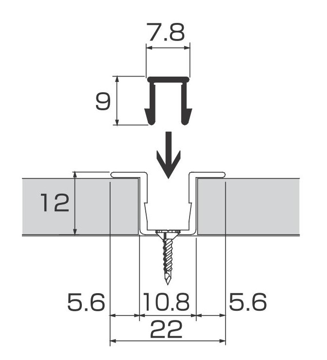
HL22M
フックライン(ピッチ22mm)
溝付タイプ
カラー:ホワイト、シルバー、ブラック
HL22M
1.14kg/m
| 品 番 |
サイズ (mm) |
カラー | コードNo. |
|---|---|---|---|
| HL22M2730W | 2730 | W(ホワイト) | 61061 |
| HL22M3700W | 3700 | W(ホワイト) | 61062 |
| HL22M3700S | 3700 | S(シルバー) | 61362 |
| HL22M3700BK | 3700 | BK(ブラック) | 61063 |


